蒲田 八王子 建築士資格取得をめざす人のための情報ブログ 建築士 資格BLOG
H27構造04(二級建築士学科試験問題)
2019年03月15日 H27構造04(二級建築士学科試験問題)
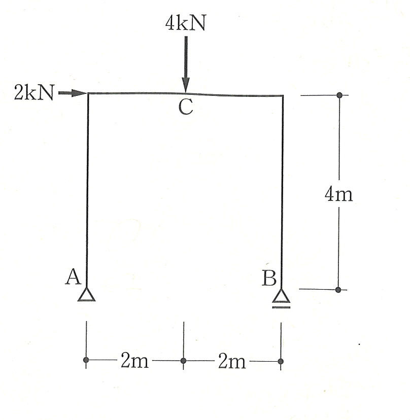
図のような外力を受ける静定ラーメンにおいて、支点A、支点Bに生じる鉛直反力RA、RBの値と、C点に生じる曲げモーメントMCの絶対値との組合せとして、正しいものは、次のうちどれか。ただし、鉛直反力の方向は、上向きを「+」、下向きを「−」とする。
RA RB MCの絶対値
1. 0kN +4kN 0kN・m
2. 0kN +4kN 8 kN・m
3. −4kN +8kN 8 kN・m
4. −4kN +8kN 24 kN・m
5. −6kN +10kN 24 kN・m
[画像:構造04]
(正解)2
【1】反力を求める。
支点AにRA、HA、支点BにRBを仮定して、つりあい方程式より、
(鄯)水平方向のつりあい
Σ右向きの力=Σ左向きの力
∴HA=2kN
(鄱)鉛直方向のつりあい
Σ上向きの力=Σ下向きの力
∴RA+RB=4
(鄱)モーメントのつりあい
Σ右回りのモーメント=Σ左回り
支点Bを中心にして、
×ばつ4=×ばつ2
∴RA=0
(鄱)より、RB=+4 kN
【2】応力を求める。
C点で切断し左側を考える。
ここで切断面には、3つの応力NC、QC、MCを記入することでつりあいがとれる。
C点を中心にモーメントのつりあいを考える。
Σ(右回りのモーメント)=Σ(左回りのモーメント)より、
×ばつ4=MC
∴MC=+8kN・m
【1】反力を求める。
支点AにRA、HA、支点BにRBを仮定して、つりあい方程式より、
(鄯)水平方向のつりあい
Σ右向きの力=Σ左向きの力
∴HA=2kN
(鄱)鉛直方向のつりあい
Σ上向きの力=Σ下向きの力
∴RA+RB=4
(鄱)モーメントのつりあい
Σ右回りのモーメント=Σ左回り
支点Bを中心にして、
×ばつ4=×ばつ2
∴RA=0
(鄱)より、RB=+4 kN
【2】応力を求める。
C点で切断し左側を考える。
ここで切断面には、3つの応力NC、QC、MCを記入することでつりあいがとれる。
C点を中心にモーメントのつりあいを考える。
Σ(右回りのモーメント)=Σ(左回りのモーメント)より、
×ばつ4=MC
∴MC=+8kN・m
n-35596291 at 9:0 | この記事のURL | |