[フレーム]

建築設計科(建築 専門学校)

AltStyle によって変換されたページ (->オリジナル) /

[画像:テクノロジーで社会を豊かにする。]



蒲田 八王子 建築士資格取得をめざす人のための情報ブログ 建築士 資格BLOG

H16構造06(2級建築士学科試験問題)

2007年03月27日 H16構造06(2級建築士学科試験問題)

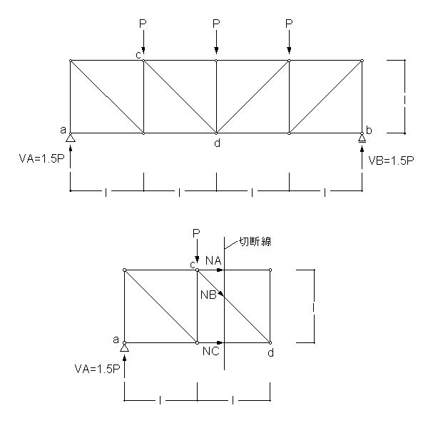
図のような荷重を受ける静定トラスにおいて、部材ABCに生じる軸方向力の組合せとして、正しいものは、次のうちどれか。ただし、軸方向力は、引張力を「十」、圧縮力を「−」とする。

3cb5b951.jpg


A

B

C

1.

P

+ 0.52P

+ 1.5P

2.

P

+ 0.52P

+2P

3.

P

+2P

+2P

4.

2P

+ 0.52P

+ 1.5P

5.

2P

+2P

+2P

(正解)4
16-6左右対称形より反力VA=VB=1.5P
切断法で解く。
部材部材Aと部材部材Bの交点でモーメントのつりあいをみる。
×ばつℓ=×ばつ
∴Nc=+1.5P
次に、部材部材Bと部材部材Cの交点でモーメントのつりあいをみる。
×ばつℓ=×ばつ
∴NA=−2kN
また、鉛直方向の力のつりあいより、
NB/√2+P=1.5P
∴NA=+0.5√2P

n-35596291 at 9:0 | この記事のURL | |




traq