[フレーム]

電子・電気科 電気工学コース ブログ 個別記事(電気工学・電気工事 専門学校)

AltStyle によって変換されたページ (->オリジナル) /

[画像:テクノロジーで社会を豊かにする。]



蒲田 八王子 2年制 電気工事士・技術者をめざす人のための 資格・就職・学科情報ブログ 電子・電気科(電気系)blog

電気工事士への道36

2008年06月27日 電気工事士への道36

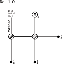
今回は公表問題の10番です。

問題10-1問題10-2

この問題は3路スイッチと4路スイッチの問題です。同じような問題が昨年度No.9として出題されています。3箇所でランプをつけたり、消したりすることが出来る回路です。

問題10-3

まずは材料を用意しましょう。

問題10-4問題10-5

施工条件に合わせてケーブルを切断、被覆を剥ぎ取りましょう。

問題10-6

3路スイッチの場合は1と1、3と3を接続しますね、4路スイッチはその間に接続してください。この問題の場合には2つの3路スイッチの1と3に接続されたVVFケーブル2本を4路スイッチに接続してください。3路スイッチが理解できていれば、それほど難しくはないですよ。

問題10-6問題10-7

各器具への接続が終わりましたら、接続し形を整えて終了です。残り1ヶ月、頑張って練習していきましょう。(担当 suga)

つづく

n-34365804 at 10:8 | この記事のURL | |




traq